
The wiki aims to answer most of the common questions, list useful guides and tools, and various other things about playing, modding and maintaining your Game Boys.

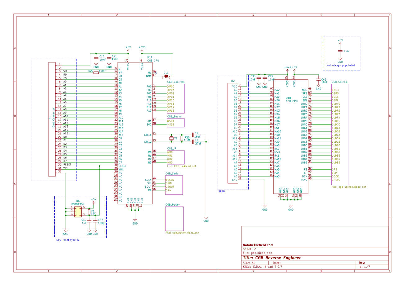
GB Color
Technical name: CGB
Desktop: click to open and open image in new tab to see full size
Mobile: tap and pinch to zoom
GB Pocket
Technical name: MGB
Desktop: click to open and open image in new tab to see full size
Mobile: tap and pinch to zoom
GBA
Technical name: AGB
Desktop: click to open and open image in new tab to see full size
Mobile: tap and pinch to zoom
GBA SP
Technical name: AGS
Desktop: click to open and open image in new tab to see full size
Mobile: tap and pinch to zoom
NOTE: These scans do not include the middle GROUND and POWER layers
DMG
Technical name: DMG
Desktop: click to open and open image in new tab to see full size
Mobile: tap and pinch to zoom

























